Delta Laserline VT radiaatorid on samade mõõtmete ja tüüpidega nagu Delta Laserline radiaatorid, kuid erinevalt tavalistest Delta Laserline radiaatoritest on neil lisaks sisseehitatud termostaatventiil (M30) millele on võimalik valida tellimisel ka eelseadistus.
Radiaatori ühendusvõimalused on termostaatventiili asukoha tõttu piiratud ainult altühenduste juurde kasutades kahte G ½” keermega ühendusotsa, mille paigutus radiaatori elementidel on võimalik valida tellimisel (kas kõrvuti 50 mm vahega radiaatori keskel, ääres või eraldatult mõlemasse äärde). Standardversioonil on termostaatklapi vastasküljel G ½” sisekeermega ava võimaldades soovi korral G ½” õhutusventiili lisamist.
| Materjal: | teras |
| Materjali paksus: | 1.25 mm |
| Elementide vahekaugused: | 50 mm |
| Radiaatorite kõrgused: | 155, 265, 300, 350, 365, 400, 415, 450, 500, 550, 565, 600, 665, 750, 900, 965, 1000, 1065, 1100, 1200, 1500, 1800, 2000, 2200, 2500, 2800, 3000 mm |
| Radiaatorite laiused: | 200 ÷ 2500 mm (4 kuni 50 elementi) |
| Üksikute elementide laiused: | 50 mm |
| Ühendusmeetodid: | tuleb täpsustada tellimisel |
| Maksimaalne töörõhk: | 10 bar |
| Maksimaalne testimisrõhk: | 13 bar |
| Maksimaalne temperatuur: | 120°C |
| Värv: | RAL 9016 valge, teised värvid saadaval eritellimusel |
| Tootmine: | vastavuses BS EN ISO 9001 ja BS EN ISO 14001 standarditega |
| Toimivusdeklaratsioon vastavuses standardiga: | PN-EN 442 |
| Garantii: | 10 aastat |










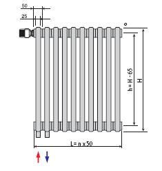
H - kõrgus (155 ÷ 3000)
L - laius (200 ÷ 2500)
n - elementide arv
h - ühenduste vahekaugus
Tähelepanu: Kuna Delta Laserline VT radiaatoritel on sisseehitatud termostaat, toodetakse neid vaid GW ½” sisekeermega altühendustega. Radiaator on pööratav, et saavutada parem- või vasakukäelisus.
![]()
Ühendus esimese ja teise elemendi kaudu |
![]()
Ühendus esimese ja viimase elemendi kaudu |
![]()
Keskühendus(ainult paarisarvulise elementide arvu korral) |
TÄHELEPANU: Radiaatori kinnituseks vajalike kandepunktide arv valitakse nomogrammide põhjal. Kandurid ei tule tootega kaasa ning tuleb tellida eraldi.
![]() |
Seinakandurite komplekt (4 või 6 elementi)Komplektis on: kandurid, kinnituskruvid, õhutusventiil. Võimaldab paigaldust 31 kuni 41 mm kaugusele seinast. |
![]() |
Ekstsentrilised seinakandurid (4 või 6 elementi)Komplektis lisaks kanduritele ka õhutusventiil. Võimaldab paigutadust 30 kuni 50 mm kaugusele seinast. |
![]() |
SK2 põrandakandurSoovitatav kasutada vaid siis kui seinakandurite kasutamine osutub võimatuks. |
![]() |
Seinakandur WK155Võimaldab radiaatori paigaldust 40 mm kaugusele seinast. Üks kinnitus kannab kuni 250 kg. |
![]() |
Põrandakandur FK3
|
![]() |
SK2 jala kate (plastik)
|
![]() |
FK3 jala kate (plastik)
|
Delta Laserline radiaatori soojusvõimsuse saamiseks võite alla laadida järgneva MS Excel faili, kus on võimalik arvutada soojusvõimsus kõigi erinevate standardmõõtude ja tüüpide kohta. Tabelis on võimalik arvutada ka soojusvõimsus teistele parameetritele.
Katalooge on võimalik saada Rettig Radiaator AS kontorist, Liimi 3, Tallinn, või edasimüüjate kaudu.
Samuti saate alla laadida kataloogi pdf-faili Kataloogi lehelt.
|
Rettig ICC annab toodetele Rettig Radiaator AS-i kaudu 10-aastase garantii alates ostukuupäevast. Garantii katab materjali- ja valmistusvead. Vigase toote asemele anname tasuta tehniliselt samasuguse toote. Garantii ei kata vigastusi, mis on põhjustatud valest ladustamisest või hoolimatust transpordist. Samuti ei korva garantii ebaõigest ekspluatatsioonist tingitud vigasid nagu seespidine või välispidine roostetamine ja vead, mis on tingitud söövitavate ainete mõjust. |
![]() |